Kopfplatte / Adapterlatte Verachtert CW 55
Angebotsnummer: A-22324
€ 2.800,00*
zzgl. MwSt.
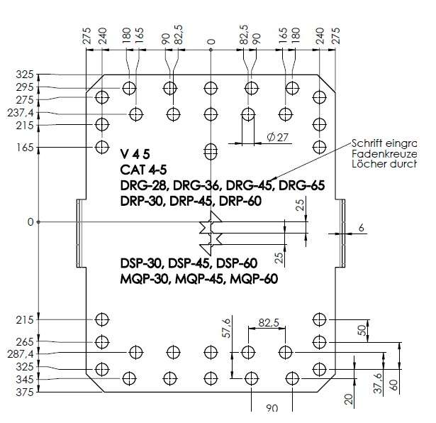
Verkaufe aus Lagerbestand eine Kopfplatte Verachtert CW 55 845 mm Bohrbild Verachtert/ Demarec/ Cat Bohrbild im Anhang.
Die Bestellung zu der Kopfplatte wurden in der Fertigungsphase gestoppt, daher ist sie nicht fertig geschweißt. Müsste noch vom Käufer gemacht werden.
Es handelt sich bei der Kopfplatte um ein stabiles und solides Produkt der Fa. Wolf Technik für Baumaschinen.
Seitenteile HX 400 der Fa. Craco 60mm dick. Keilführungstasche werden mitgeliefert.
Grundplatte breit 1040mm x 940mm dick 45mm.
Lichter Abstand der Laschen 845mm.
Unser Verkaufspreis für eine Kopfplatte Verachtert CW 55
5773 € + MwSt.
Der Preis für angebotene Kopfplatte 2800 € + MwSt.
Bei Fragen einfach melden.
Du suchst immer wieder solche Teile? Dann schau dir unsere anderen Anzeigen an und werde einer unserer Follower.
Grüße aus Aschaffenburg
Jürgen Wolf
| Hersteller: | Wolf Technik für Baumaschinen |
| Modell: | CW 55 / Verachtert/ Demarec/ CAT |
| Zustand: | neu |
| Gewicht in Kg: | ca. 650 |
| Int.Nr.: | 0082 |
Hier direkt weitere Informationen zu diesem Produkt anfordern.
Geschäftszeiten
Montag - Freitag: 08.00 bis 17.00 Uhr
* Verkauf ausschließlich an Gewerbetreibende!



